高壓SVG動態無功補償裝置

SVG系列高壓動態無功補償裝置是以IGBT為核心的無功補償系統,屬于高壓無功補償柜系列。能夠快速連續地提供容性或感性無功功率,實現考核點恒定無功、恒定電壓和恒定功率因數等控制,保障電力系統穩定、高效地運行。在配電網中 ,將中小容量的 SVG產品安裝在某些特殊負荷 (如電弧爐、中頻爐、精煉爐)附近,可以顯著地改善負荷與公共電網連接點處的電能質量,例如提供功率因數、平衡三相電壓、抑制電壓閃變和電壓波動、治理諧波污染等。

一:模塊化的電路結構
1:SVG的核心是基于IGBT器件的鏈式逆變器。鏈式逆變器每相由多個功率模塊輸出串聯而成,功率模塊采用N+1或N+2冗余運行結構。
2:模塊控制采用大規模FPGA芯片載波移相多電平空間矢量PWM控制策略,電路簡單,抗干擾能力強。
3:采用自勵啟動技術,使得裝置投入時沖擊電流小。
4:模塊面板共4個電氣端子、2個光纖端子,接線簡單,還設有若干狀態及故障指示燈,方便維護及檢修。
二:控制
1:采用基于三DSP及多FPGA的全數字化控制器MLCCON,高集成度,耐用性高。
2:現場可設定控制方式:系統補償或負荷補償及負荷補償諧波次數;
3:采用快速瞬時無功電流控制策略,可實現系統短路故障時的連續穩定運行。
4:采用進口PLC,實現多組固定電容器的綜合投切控制
5:控制器全封閉防塵設計,無需冷卻風扇。
三:監控與人機接口
1:本地監控功能由DSP及進口PLC共同完成,采用觸摸屏中文/英文顯示界面,比嵌入式工控機界面硬件可靠性高,更適用于工業現場電磁環境。
2:顯示面板具有功率模塊直流電壓、功率模塊故障/旁路狀態、輸出電流、負荷電流、故障顯示及故障追憶等功能,可顯示輸出電流波形。
3:具有GPRS遠程接口,通過聯網裝置,將系統運行數據、狀態量和報警信息等,利用GPRS網路發送到本公司后臺服務器,實現對現場的實時監控,已確定其安全情況和運行情況,答復提高系統運行的可靠性及可維護性。
四:參數設定功能
1:具有多種功能參數設置,方便不同負荷對象運行參數的現場配置。
2:所有功能參數項用中文提示,所有功能參數具有停電保持功能(雙份),可以整體備份或恢復。
五:不停電控制電源
1:控制電源采用多模塊并聯運行且帶直流UPS后備,當交流控制電源停電時,由直流UPS后備提供控制電源,裝置運行不受影響。
六:電磁兼容
1:功率模塊和主控系統采用光纖連接,具有很高的通信速率和抗干擾能力,安全性好。

一:工作環境條件
a.室外環境空氣溫度:-35℃~+45℃
b.環境空氣相對濕度:40℃時為20%~90%;
c.大氣壓力:海拔2000米及以下。
二:周圍環境要求
a.不允許有較強的振動與沖擊;
b.不允許有腐蝕和破壞絕緣的氣體、導電介質、含有危險的介質存在,不允許有嚴重的霉菌存在。
1:額定容量:±1Mvar-±100Mvar。
2:額定電壓:6kv、10kv、27.5kv、35kv;
3:系統頻率:50Hz;
4:過載能力:大于120%;
5:響應時間:≤5ms;
6:有功損耗:≤0.8%;
7:總諧波電流失真(THDi)≤3%;
8:控制電源:380VAC、220VAC或者220VDC;
9:無功調節方式:容性、感性自動連續平滑調節;
10:通訊接口:以太網、RS485和CAN等通訊接口、高速光纖通訊接口;通訊協議:支持MODBUS_RTU、ProfiBUS、
電力CDT91規約、IEC61850-103/104、CANOPEN協議、用戶自定義等通訊協議。
11:行方式:恒裝置無功功率模式、恒考核點無功功率模式、恒考核點功率因數模式、恒考核點電壓模式、負載補償模式、分時6點控制。
12:并聯方式:支持多機并聯組網運行、可多母線綜合補償、支持最多組C綜合補償控制;
13:防護等級:室內型滿足P40,戶外型滿足P44。
14:保護功能:輸出過電流、系統短路、系統電壓、T斷線、過溫、水冷故障,通信失敗保護功能等。
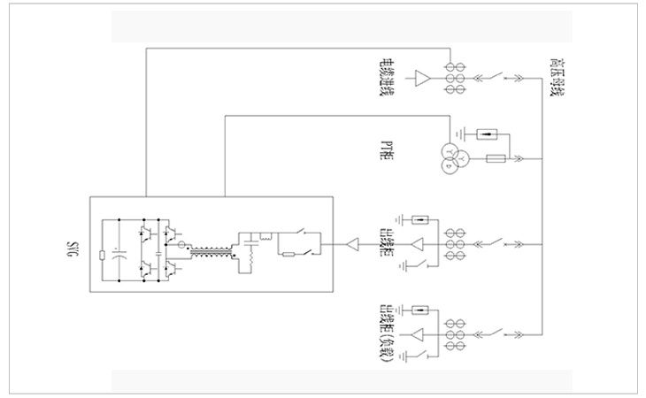
主電路采用鏈式拓撲結構,模塊化的結構設計,星型及三角形的連接方式實現不同容量下的最大性價比,既保證用戶投資的有效性,又保障了電力系統穩定、高效的運行。產品主要分為三部分:控制柜、功率柜、電抗器柜。其中功率柜實現了極大的統一性,方便了產品容量的擴展及穩定性。各電壓等級的裝置由控制柜、功率柜及電抗器柜(空芯電抗)組成。采用最新設計使得冷卻風機能夠直接安裝于柜頂,降低了安裝難度,是安裝與維護更加方便。
-
用料講究 品質保證
與國內外知名品牌供應商形成戰略合作,成熟,穩定的原材料供應渠道,性能穩定,質量有保障。
封閉設計 安全可靠
封閉式母排結構設計,模塊化組裝,安全整潔,徹底擺脫帶電體裸露、結構散亂、線束纏繞等一系列安全隱患。
-
-
熔絲保護 響應快速
創造性采用熔斷器代替傳統微型斷路器,6KA(Icu)→100KA(Icu)改變的不是一個數字,而是一種安全觀念!
精確投切 無涌流
精確的過零點投切技術,降低電網傳輸損耗,抑制電壓波動,解決電容器鼓肚、電抗器發熱、熔絲斷路的困擾
研發實力
擁有專業的研發技術團隊,專注于無功補償領域的研究,不斷創新
生產實力
5000平方米生產車間,從國外引進 生產設備,滿足任何行業的需求
質量檢測
具備完善的檢測實驗設備,配備專業化質檢人員,質量有保障
貼心服務
安排人員定期巡檢,上門檢修等服務,24h全天候售后服務體系
合肥眾升科技有限公司于2001年8月成立,坐落于安徽省合肥市肥東縣經濟開發區,致力于無功補償領域的研發、設計和生產,是一家擁有自主知識產權的電氣企業。公司先后獲得了中國質量認證中心的ccc認證、ISO9001質量體系認證、國家電器產品質量監督檢驗中心型式試驗的認可。
|
熱線電話:400-176-0551 公司傳真:0551-65372899 客服QQ:2726472126 郵箱:2726472126@qq.com 地址:安徽省肥東縣經濟開發區柳孜路 |
采購:高壓SVG動態無功補償裝置
- *聯系人:
- *手機:
- 公司名稱:
- 郵箱:
- *采購意向:
-
*驗證碼:
跟此產品相關的產品 / Related Products
聯系眾升
服務熱線:400-176-0551- 手機:400-176-0551
- 傳真:0551-65372899
- 客服QQ:2726472126
- 郵箱:2726472126@qq.com
- 地址:安徽省肥東縣經濟開發區柳孜路




合肥眾升科技有限公司

